
























фото · 1 із 25

Дивитися всі фото
Дивитися на мапі
Продаж 2 поверхового таунхауса з ділянкою на 1 сотку, 100 кв. м, 2 кімнати, на вул. 9-й Масив • ID 33422817
9-й Масив вулиця
·
Лиманка
85 000 $ за об'єкт · 3 587 000 грн · 850 $
за м²
Перевірений таунхаус
Перевірено по відеодзвінку
Звіт від 17 сер.
- Вторинна нерухомість
- 2 кімнати
- 2 поверхи
- Ділянка 1 сотка
- Пропозиція від власника
- Без комісії
- З мансардою
- Ділянка
Опис від продавця
- Загальна площа 100 м²
- Стіни з піноблоку
- Побудовано 2023
- Без опалення
- Торг можливий
- Спокійний район
- Житло не використовувалось з моменту побудови
- Продається сучасний двоповерховий таунхаус із просторою мансардою, власною зоною барбекю та паркувальним місцем. Будинок повністю підготовлений для комфортного проживання: виконані всі ключові комунікації, встановлені нові вікна та двері, продумані зручні планувальні рішення.
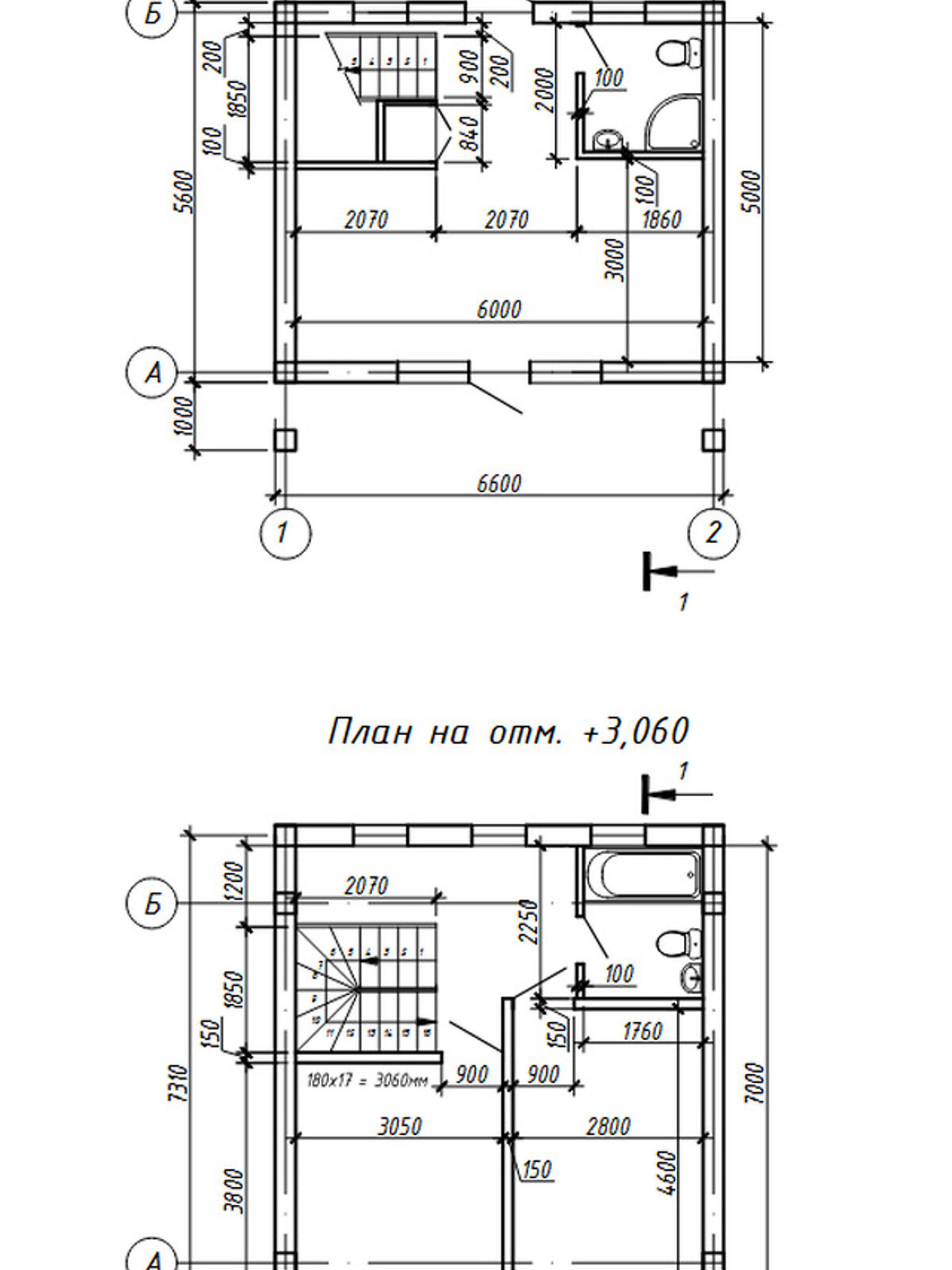
Перший поверх: кухня-вітальня відкритого планування та санвузол, де передбачено місце під душову кабіну та інсталяцію унітаза.
Другий поверх: дві світлі спальні, санвузол із можливістю встановлення ванни. Завдяки спеціальному зливу можна користуватися і душем рішення, популярне в азійських будинках. Також поруч із сходами облаштовано невеличкий затишний куточок, який підійде для робочого місця або зони відпочинку.
Мансарда: просторе та світле приміщення з вікнами ідеальне для кабінету, дитячої або додаткової спальні.
Технічні переваги:
розводка сантехніки та електрики, встановлений великий розподільчий щиток;
конструкції під інсталяції унітазів;
теплі підлоги у санвузлах;
траси під кондиціонери у житлових кімнатах;
вентиляційні виходи у санвузлах та на кухні;
нові двокамерні вікна та якісні вхідні двері (не від забудовника).
Переваги ділянки:
облаштована зона барбекю для відпочинку з родиною та друзями;
власне паркувальне місце.
Будинок поєднує сучасне виконання, функціональність і готовність до швидкого введення в експлуатацію. Залишається лише обрати оздоблення на свій смак і створити затишний простір для вашої сімї.
- Характеристика будівлі: стан будинку: без оздоблювальних робіт • перекриття: залізобетонне • дах: металочерепиця
- Характеристика приміщення: висота стелі, м: 3 • утеплення: зовнішнє
- Оздоблення стелі: без обробки • шпалери
- Підлога (покриття): стяжка • керамічна плитка
- Внутрішнє оздоблення: шпалери • керамічна плитка • чистова штукатурка
- Вода: центральний водопровід
- Підігрів води: бойлер
- Опалення: без опалення
- Приміщення: кількість спалень: 2 • вітальня
- Коли немає світла: є інтернет • є мобільний зв'язок • є водопостачання
- Під'їзд: броньовані двері • відеоспостереження на території
- На території є: барбекю
- Меблі: немає
- Особливості планування: підігрів підлоги
- Унікальні переваги: Власна тераса
- Обладнання • меблі • зручності: електрика • центральна каналізація • інтернет
Оголошення неактуальне чи інформація неточна?
- Оголошення створене 17 сер. ·
- ID 33422817 ·
- Переглядів 0
- · Збережень в обране 0